Found on Electric Power Pallet Jacks and Most Power Stackers Most barnds Like Elite Range / EP Power Stacker and Pallet jacks
Used to turn off the unit and assign a key to a operator.
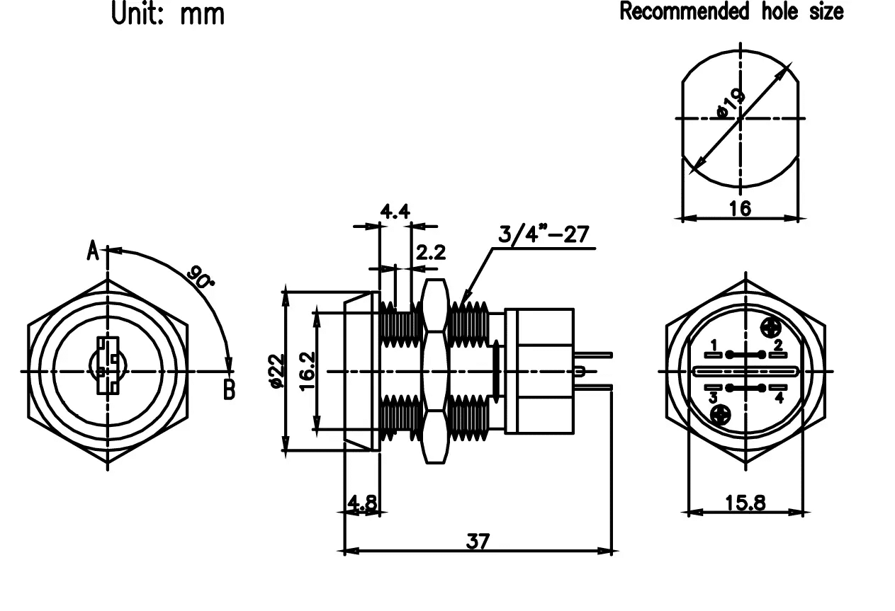
2 Pole 4 Terminals
Products Description:
Zinc alloy die cast housing and cylinder
Bright Chrome plated standard
5 disc tumbler mechanism
Reversible double -bitter Brass keys,nicked plated
Key may be withdraws both positions
Silver plated contacts and Silver plated terminals
B Series 2NC-2NO
Hex nut
4A 125VAC
2A 250VAC
19mm hole






